欢迎访问英国威廉希尔公司官网的网站!
专业生产经营各类不锈钢标准件拥有一整套专业的检测设备
全国咨询热线:0574-87339588
当前位置:首页 > 产品中心 > 不锈钢螺母系列
不锈钢螺母系列
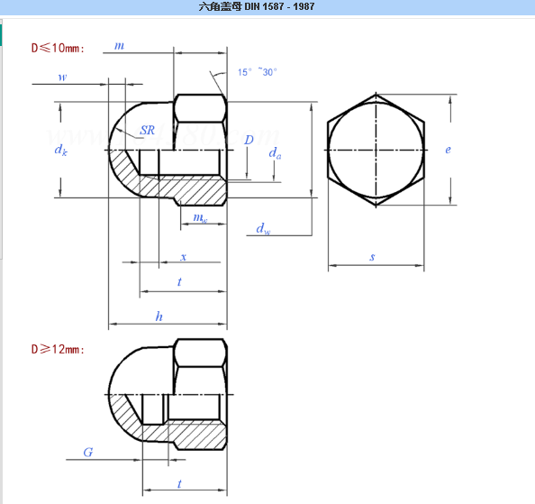
盖型螺母

盖型螺母

产品详细介绍

生产材质:不锈钢304、316、碳钢、铜等。

上一条:尼龙螺母
下一条:薄螺母
在线客服

联系电话:

0574-87339588

传真:

0574-87715151

手机:

线